Неизнашиваемые (благодаря отсутствию подвижных деталей) датчики и реле (сигнализаторы) потока жидких и газообразных сред для систем кондиционирования, вентиляции и фильтрации, запыленных и взрывоопасных производств, а также в гигиеническом исполнении для пищевой и фармацевтической промышленностей.

Проточные датчики и реле потока
Проточные термодинамические (калориметрические) датчики и реле потока проточного типа (inline, т.е. встраиваемые в линию) для контроля параметров потока жидкости с аналоговыми (по току и напряжению) и дискретными выходами.
Датчики и реле потока производства EGE-Elektronik
Проточные (inline) датчики (встраиваемые в линию) с диаметром условного прохода от 4 до 19 мм, со встроенной электроникой, с транзисторными, релейными, аналоговыми и импульсными выходными сигналами, в т.ч. с ЖК-индикацией, а также рассчитанные на подключение к внешнему устройству обработки сигнала (оценочному прибору). Датчики выполнены из нержавеющей стали и рассчитаны на измерение параметров потока в широком диапазоне скорости потока и температуры рабочей среды (воды, масла, агрессивной) в т. ч. для пищевой и фармацевтической отраслей.
В основу работы датчиков положен термодинамический принцип действия. Измерительный зонд датчика подогревается изнутри на несколько градусов выше температуры измеряемой среды (потока жидкости), которым он омывается. При наличии протока тепло отводится потоком измеряемой среды и датчик (зонд) охлаждается. Установившаяся в датчике температура измеряется и сравнивается с температурой измеряемой среды. При этом измеренная разность температур пропорциональна скорости потока, а, следовательно, и расходу измеряемой среды.
Измерительный датчик
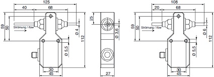
Серия SD

- G1/4 резьба • Ø 4mm
- G1/4 резьба • Ø 9mm
Исполнение: Резьба G1/4 • Ø 4мм, Резьба G1/4 • Ø 9мм
Артикул: P11251, P11252
Наименование: SD 504 S, SD 510 S
Габариты

Компактное исполнение • до 6 л/мин
Серия SDN

- Напр. питания 24 В постоянного тока
- PNP-выход
- Релейный выход
- Аналоговый выход
- Резьба G1/4 • Ø 4мм
- Резьба G1/4 • Ø 9мм
Исполнение: G1/4 • Ø 4мм, G1/4 • Ø 9мм
Артикул: P11247*, P11271, P11249*, P11248*, P11273, P11250*
Наименование: SDN 504 GSP, SDN 504 GR, SDN 504 GA, SDN 510 GSP, SDN 510 GR, SDN 510 GA
Габариты
Компактное исполнение • до 40 л/мин
Серия SDN

- Напр. питания 24 В постоянного тока
- PNP-выход
- Релейный выход
- Аналоговый выход
- G1/2 резьба • Ø 15мм
- G3/4 резьба • Ø 19мм
Исполнение: G1/2 • Ø 15мм, G3/4 • Ø 19мм
Артикул: P11284*, P11288, P11286*, P11285*, P11289, P11287*
Наименование: SDN 515 GSP, SDN 515 GR, SDN 515 GA, SDN 520 GSP, SDN 520 GR, SDN 520 GA
Габариты
Компактное исполнение • малые количества
Серия SDN

- Напр. питания 24 В постоянного тока
- PNP-выход
- Релейный выход
- Аналоговый выход
- G1/4 резьба
- Низкое время срабатывания
- Высокая чувствительность
- Реакция на очень низкие потоки
Исполнение: G1/4, G1/4
Артикул: P11256*, P11329*, P11330, P11331*
Наименование: SDN 504 GSP-DYN, SDN 503/1 GSP, SDN 503/1 GR, SDN 503/1 GA
Габариты
Компактное исполнение • малые количества
Серия SDN

- Напр. питания 24 В постоянного тока
- PNP-выход
- Релейный выход
- Аналоговый выход
- Монтаж — штуцерное соединение с врезным кольцом:
— Ø 4мм
— Ø 6мм
- Низкое время срабатывания
- Высокая чувствительность
Исполнение: штуцер Ø 4мм, штуцер Ø 6мм
Артикул: P11265*, P11277, P11266*, P11332* ,P11333, P11334*
Наименование: SDN 503 GSP, SDN 503 GR, SDN 503 GA, SDN 503/2 GSP, SDN 503/2 GR, SDN 503/2 GA
Габариты

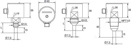
Релейный выход
Серия SDNC

- Напр. питания 24 В постоянного тока
- G1/4 резьба • Ø 3,6 мм
Исполнение: G1/4 • Ø 3,6 мм
Артикул: P11338, P11340, P11341
Наименование: SDNC 503 GSP-05, SDNC 503 GSP-10, SDNC 503 GSP-15
Габариты

Аналоговый/импульсный выход
Серия SDNC

- Напр. питания 24 В постоянного тока
- G1/4 резьба • Ø 3,6 мм
Исполнение: G1/4 • Ø 3,6 мм
Артикул: P11342, P11343, P11344, P11345
Наименование: SDNC 503 GA-10, SDNC 503 GA-20, SDNC 503 GP-10, SDNC 503 GP-20
Габариты

Компактные • Пищевая промышленность • Фармацевтика
Серия SDB

- Напр.питания 24 В постоянного тока
- PNP-Выход
- Релейный выход
- Аналоговый выход
- Корпус:
Triclamp Ø 34мм
Внутренний Ø 1мм

Исполнение: Trimclamp • Ø 10 мм
Артикул: P11258*, P11279, P11280*
Наименование: SDB 510 GSP, SDB 510 GR, SDB 510 GA
Габариты

Компактные• Керамика • Химия
Серия SDN

- Напряжение питания 24 В
- PNP-Выход
- Релейный выход
- Аналоговый выход
- Резьба G1/4 • Ø 6мм
- Керамическая измерительная ячейка
- Полное отсутствие металлов
Исполнение: G1/4 • Ø6 мм
Артикул: P11262*, P11275, P11263*
Наименование: SDN 506 GSP-CER, SDn 506 GR-CER, SDB 506 GA-CER
Габариты
Компактные • С контролем температуры
Серия SDTN

- Напряжение питания 24 В
- PNP-Выход
- Резьба G1/4 • Ø 4мм
- Резьба G1/4 • Ø 9мм
- Резьба G1/2 • Ø 15мм
Исполнение: G1/4 • Ø 4мм, G1/4 • Ø 9мм, G1/2 • Ø 15 мм
Артикул: P11326*, P11327*, P11328*
Наименование: SDTN 504 GSP, SDTN 510 GSP, SDTN 515 GSP
Габариты
Компактные • Цифровая индикация • 40 л/мин
Серия SDN

- Напряжение питания 24 В постоянного тока
- Контроль расхода и температуры воды и водно-гликолевых смесей
- Программируемый
- Два PNP-выхода
- Аналоговый выход
Исполнение: SDN 552… GPP, SDN 552… GAPP
Артикул: P11293, P11294, P11295, P11296, P11297, P11298
Наименование: SDN 552/1 GPP, SDN 552/2 GPP, SDN 552/3 GPP, SDN 552/1 GAPP, SDN 552/2 GAPP, SDN 552/3 GAPP
Габариты
Компактные • Цифровая индикация • 100 л/мин
Серия SDN

- Контроль расхода и температуры в одном приборе
- Программируемый
- Аналоговые выходы: расход и температура
Исполнение: SDN 552/4 GAA
Артикул: P11335
Наименование: SDN 552/4 GAA
Габариты
Компактные • Цифровая индикация
Серия SDN

- Напряжение питания 24 В постоянного тока
- Контроль расхода и температуры воды и водно-гликолевых смесей
- Программируемый
- Аналоговый выход по температуре
- Два PNP-выхода по расходу
- Два PNP-выхода по температуре
Исполнение: SDN 554… GPP, SDN 552… GAA
Артикул: P11313, P11314, P11315, P11316, P11317, P11318
Наименование: SDN 554/1 GPP, SDN 554/2 GPP, SDN 554/3 GPP, SDN 552/1 GAA, SDN 552/2 GAA, SDN 552/3 GAA
Габариты
Компактные • Цифровая индикация • 50 … 1000 мл/мин
Серия SDN

- Напряжение питания 24 В
- Расход 50…1000 мл/мин
- Температура 0…60ºC
- Программируемый
- Релейный выход
- Линейный аналоговый выход
Исполнение: SDN 552/5 GPP, SDN 552/5 GAPP, SDN 552/5 GAA
Артикул: P11346, P11348, P11350
Наименование: SDN 552/5 GPP, SDN 552/5 GAPP, SDN 552/5 GAA
Габариты

Компактные • Цифровая индикация • 100 … 2000 мл/мин
Серия SDN

- Напряжение питания 24 В
- Расход 100…2000 мл/мин
- Температура 0…60ºC
- Программируемый
- Релейный выход
- Линейный аналоговый выход
Исполнение: SDN 552/6 GPP, SDN 552/6 GAPP, SDN 552/6 GAA
Артикул: P11347, P11349, P11351
Наименование: SDN 552/6 GPP, SDN 552/6 GAPP, SDN 552/6 GAA
Габариты
Программируемый измерительный прибор Vortex • Цифровая индикация
Серия SDV — Vortex

- Измерение расхода воды
- Напряжение питания
- 24 В постоянного тока
- Отклонение показаний от верхнего предела измерения не более 2%
- PNP-Выход
- Аналоговый выход
Исполнение: SDV 652/1 GAPP
Артикул: P11319
Наименование: SDV 652/1 GAPP
Габариты

Программируемый измерительный прибор MID • Цифровая индикация
Серия SDI

- Магнито-индуктивный измеритель потока
- Напряжение питания
- 24 В постоянного тока
- Отклонение показаний менее 2%
- PNP-Выход
- Аналоговый выход
Исполнение: SDI… GAPP
Артикул: P11320, P11321
Наименование: SDI 852/1 GAPP, SDI 852/2 GAPP
Габариты

Программируемый измерительный прибор MID • Цифровая индикация
Серия SDI

- Магнито-индуктивный измеритель потока
- Напряжение питания
- 24 В постоянного тока
- Отклонение показаний менее 2%
- PNP-Выход
- Аналоговый выход
- Импульсный выход
Исполнение: SDI… GAPP
Артикул: P11322, P11323
Наименование: SDI 853/1 GAPP, SDI 853/2 GAPP
Габариты

Программируемое сервисное устройство • Цифровая индикация
Серия SDD

- Блок индикации и обслуживания
- Напряжение питания
- 24 В постоянного тока
- PNP-Выход
- Импульсный выход
Исполнение: Инструментальный прибор SDD 10936
Артикул: S10936
Наименование: SDD 10936
Габариты

Погружные датчики и реле потока
Быстродействующие, высокоточные и неизнашиваемые датчики потока погружного типа для контроля наличия потока и измерения расхода жидкости с аналоговыми, транзисторными или релейными выход
В основу работы погружных датчиков потока производства EGE-Elektronik положен термодинамический принцип. В зависимости от исполнения, способа монтажа, типа формируемого сигнала и условий эксплуатации, их можно разделить на измерительные и компактные.
Измерительные датчики
Датчики, в том числе высокотемпературные и химически стойкие, со стандартной, короткой резьбой и с удлиненным корпусом, изготовленные из нержавеющей стали, титана, сплава хастеллой, металлокерамики или фторопласта для измерения параметров потока воды или масла с классом защиты IP67/IP68. Датчики формируют выходной сигнал, который для дальнейшего использования необходимо преобразовать и требуют, в связи с этим, подключения вторичного прибора.
Утопленный монтаж
Серия ST

- Присоединительная резьба M18 x 1,5
- Корпус из нержавеющей стали
- Утопленный монтаж
- Универсальное применение при помощи адаптера
Исполнение: M18 x 1,5
Артикул: P11354, P11355, P11356
Наименование: ST 418 S-A4, ST 418 K-A4, ST 418 KN-A4
Габариты

Стандартная резьба
Серия ST

- G1/2 резьба
- Корпус из нерж. стали или фторопласта PTFE
Исполнение: G1/2, G1/2, G1/2 PTFE
Артикул: P10412, P10414, P10431
Наименование: ST 421 K-44, ST 421 S-44, ST 421 K-F
Габариты

Короткая резьба
Серия STK

- G1/4 резьба
- G1/2 резьба
- Корпус из нерж. стали
Исполнение: G1/4, G1/4, G1/2, G1/2
Артикул: P10402, P10404, P10408, P10410
Наименование: STK 421 K-A4, STK 421 S-A4, STK 421 K-A4, STK 421 S-A4
Габариты

Удлинённый корпус
Серия ST

- G1/2 резьба
- Корпус из нерж. стали
Исполнение: G1/2, G1/2
Артикул: P10901, P10902, P10904, P10905
Наименование: ST 421 K-L80, ST 421 K-L120, ST 421 S-L80, ST 421 S-L120
Габариты
Высокотемпературные до 120°C
Серия STK

- G1/4 резьба
- G1/2 резьба
- G3/4 резьба
- Корпус из нерж. стали
- Высокотемпературные до 120°C
Исполнение: G1/4, G1/2, G1/2, G3/4
Артикул: P10435, P10436, P10437, P10438
Наименование: STK 421 KH-A4, STK 421 KH-A4, ST 421 KH-A4, ST 431 KH-A4
Габариты
Высокотемпературные до 160°C
Серия ST 521

- G1/2 резьба
- Устойчив к водяному пару
Исполнение: G1/2
Артикул: P11259, P11260, P11261
Наименование: ST 521 KH, ST 521/1 KH, ST 521/2 KH
Габариты

Химически стойкие
Серия STA

- G1/2 резьба
- Hastelloy (хастеллой) B22/C22
Исполнение: G1/2…HB2/HC22, G1/2…K-B3, G1/2…S-B3
Артикул: P10625, P11159, P10623, P10622
Наименование: STA 421 K-BH2, STA 421 K-HC22, STA 421 K-B3, STA 421 S-B3
Габариты
Пищевая промышленность • Фармацевтика
Серия SCB / STB /STC

- Напр.питания 24 В постоянного тока
- PNP-Выход
- Корпус:
Triclamp — компактный,
Triclamp Ø50,5 мм
DIN 11851 (Milchrohr)
Исполнение: Trimclamp — компактный, Trimclamp Ø50,5 мм, DIN 11851
Артикул: P11156, P11060, P10632
Наименование: SCB 450 GSP, STB 450 K, STC 425K
Габариты

Компактные датчики
Стандартной длины и удлиненные датчики постоянного и переменного тока с транзисторными, релейными и аналоговыми выходными сигналами и светодиодной индикацией, целиком изготовленные из нержавеющей стали и с пластиковыми корпусами для измерения параметров потока воды или масла, в том числе с контролем температуры измеряемой среды, с классом защиты IP65/IP67.
PNP-выход
Серия SC 440 — Реле потока

- Напр. питания 24 В постоянного тока
- Нерж. сталь
- G1/4 резьба
- G1/2 резьба
- NPT 1/2 резьба
Исполнение: G1/4, G1/2, NPT1/2
Артикул: P11064*, P10521*, P10523*, P10525*, P10526*, P11066*
Наименование: SC440/5-A4-GSP, SC440-A4-GSP, SC440/1-A4-GSP, SC440/2-A4-GSP, SC440/3-A4-GSP, SC440/6-A4-GSP
Габариты

PNP-выход
Серия SC 440 — Реле потока

- Напр. питания 24 В постоянного тока
- Нерж. сталь
- Вставной монтаж
- Простая настройка
Исполнение: SCS 440
Артикул: P11352
Наименование: SCS440-A4-GSP
Габариты

Утопленный монтаж
Серия SNS 450 — Реле потока

- Напр. питания 115 и 230 В переменного тока, 24 В постоянного тока
- PNP-выход, релейный выход
- Присоединительная резьба M18 x 1,5
- Универсальное применение при помощи адаптера
Исполнение: M18 x 1,5
Артикул: P11360*, P11362*, P11364*, P11365*
Наименование: SNS 450-A4-GSP-S, SNS 450-A4-GR, SNS 450-A4-WR2, SNS 450-A4-WR1
Габариты

PNP-выход
Серия SN 450

- Напр. питания 24 В постоянного тока
- G1/2 резьба
Исполнение: G1/2 • L=31 мм, G1/2 • L=48 мм
Артикул: P11241*, P11161*, P11228*, P11162*
Наименование: SN 450-A4-GSP, SN 450-A4-GSP-S, SN 450/1-A4-GSP, SN 450/1-A4-GSP-S
Габариты

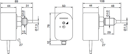
Релейный выход
Серия SN 450

- Напр. питания 24 В постоянного тока
- G1/2 резьба
Исполнение: G1/2 • L=31 мм, G1/2 • L=48 мм
Артикул: P11115, P11116, P11078, P11086
Наименование: SN 450-A4-GR, SN 450-A4-GSRS, SN 450/1-A4-GR, SN 450/1-A4-GRS
Габариты

Релейный выход
Серия SN 450

- Напр. питания 230 В • 115В переменного тока
- G1/2 резьба
Исполнение: G1/2 • L=31 мм, G1/2 • L=48 мм
Артикул: P11113, P11114, P11074, P11076
Наименование: SN 450-A4-WR1, SN 450-A4-WR2, SN 450/1-A4-WR1, SN 450/1-A4-WR2
Габариты
Релейный выход, удлинённые
Серия SN 450

- Напр. питания 230 В • 115В переменного тока 24 В постоянного тока
- G1/2 резьба
Исполнение: G1/2 • L=80 мм, G1/2 • L=120 мм
Артикул: P11079, P11080, P11081, P11082, P11083, P11084
Наименование: SN450/2-A4-WR1, SN450/2-A4-WR2, SN450/2-A4-GR, SN450/3-A4-WR1, SN450/3-A4-WR2, SN450/3-A4-GR
Габариты

Аналоговый выход. Утопленный монтаж
Серия SNS 450 — Реле потока

- Напр. питания 24 В постоянного тока
- Аналоговый выход
- Присоединительная резьба M18 x 1,5
- Универсальное применение при помощи адаптера
Исполнение: M18 x 1,5
Артикул: P11357*, P11358*, P11359*
Наименование: SNS 450-GA, SNS 450-GA-3M, SNS 450-GAN-S
Габариты

Аналоговый выход
Серия SN 450

- Напр. питания 24 В постоянного тока
- G1/2 резьба
- Выход:
Аналоговый — линейный
Аналоговый — нелинейный
Исполнение: G1/2 L=31мм, G1/2 L=48 мм
Артикул: P11121, P11118, P11095, P11122, P11239
Наименование: SN 450 GA, SN 450 GA-3M, SN 450/1 GA, SN 450/1 GA-3M, SN 450/1 GAN-S
Габариты

Две точки срабатывания
Серия SN 450

- Напр. питания 24 В постоянного тока
- PNP-выход
- G1/2 резьба
- 2 независимые точки срабатывания
Исполнение: G1/2 • L=31мм
Артикул: P11264*
Наименование: SN 450 GPP
Габариты

PNP-выход с дополнительным датчиком температуры
Серия SNT 450

- Напр. питания 24 В постоянного тока
- G1/2 резьба
Исполнение: G1/2 • L=31мм, G1/2 • L=48 мм
Артикул: P11218*, P11219*, P11224*, P11225*
Наименование: SNT 450-A4-GSP, SNT 450-A4-GSP-S, SNT 450/1-A4-GSP, SNT 450/1-A4-GSP-S
Габариты

Релейный выход с дополнительным датчиком температуры
Серия SNT 450

- Напр. питания 24 В постоянного тока
- G1/2 резьба
Исполнение: G1/2 • L=31мм, G1/2 • L=48 мм
Артикул: P11216, P11217, P11222, P11223
Наименование: SNT 450-A4-GR, SNT 450-A4-GR-S, SNT 450/1-A4-GR, SNT 450/1-A4-GR-S
Габариты

Релейный выход с дополнительным датчиком температуры
Серия SNT 450

- Напр. питания 24 В постоянного тока
- G1/2 резьба
Исполнение: G1/2 • L=31мм, G1/2 • L=48 мм
Артикул: P11214, P11215, P11220, P11221
Наименование: SSNT 450-A4-WR1, SNT 450-A4-WR2, SNT 450/1-A4-WR, SNT 450/1-A4-WR2
Габариты

Релейный выход с задержкой срабатывания
Серия SN 450

- Напр. питания 24 В постоянного тока / 230 В переменного тока
- G1/2 резьба
Исполнение: Задержка при включении, Задержка при выключении
Артикул: P11234, P11233, P11231
Наименование: SN 450/1 GR-VE, SN 450/1 GR-VA, SN 450/1 WR2-VA
Габариты


Датчики и реле потока воздуха и газа
Зондовые, проточные, для штуцерного и шлангового подключения датчики потока воздуха и газа с танзисторными, релейнымии и аналоговыми выходными сигналами и светодиодной индикацией.
Датчики зондовые, протока воздуха и газа, с транзисторными, релейными и аналоговыми выходными сигналами и светодиодной индикацией, некоторые модели требуют подключения вторичного прибора. Корпуса из нержавеющей стали с классом защиты IP65.
Измерительные датчики • Нержавеющая сталь
Серия LTZ

- Резьба G1/2
- Корпус из нержавеющей стали
Исполнение: G1/2, G1/2
Артикул: P11100, P11101
Наименование: LTZ 421 K-A2, LTZ 421 S-A2
Габариты

Измерители и сигнализаторы потока • Компактные датчики
Серия LN / LG

- Напряжения питания: 24В постоянного тока
- PNP-Выход
- Аналоговый выход
- ЖК-индикация
- Предел измерения 0,5…15 м/с
Исполнение: Ø20 мм, M18x1, M22x1
Артикул: P11096 *, P11097 *, P11237 *, P11240 *, P11163 *
Наименование: LN 520 GSP, LN 520 GA, LG 518 GSP, LG 518 GA, LG 522 GSP
Габариты

Сигнализаторы потока • Компактные датчики • Шланговое подключение
Серия LD 550

- Напряжения питания: 24В постоянного тока
- PNP-Выход
- Короткое время реакции
Исполнение: G1/4
Артикул: P11236
Наименование: LD 550 GSP
Габариты

Измерители потока • Компактные датчики
Серия LNZ

- Напряжения питания: 24В постоянного тока
- Аналоговый выход
- Резьба G1/2
Исполнение: G1/2
Артикул: P11110 *, P11111 *
Наименование: LNZ 450 GA-K, LNZ 450 GA-S
Габариты

Сигнализаторы потока • Компактные датчики
Серия LNZ

- Напряжения питания: 24В постоянного тока / 230В • 115В переменного тока
- Релейный выход
- Резьба G1/2
Исполнение: G1/2, G1/2
Артикул: P11102, P11103, P11104, P11105
Наименование: LNZ 450 WR1-K, LNZ 450 WR2-K, LNZ 450 GR-K, LNZ 450 GR-S
Габариты

Сигнализаторы потока • Компактные датчики • Штуцерное подключение
Серия LN

- Напряжения питания: 24В постоянного тока / 230В • 115В переменного тока
- Релейный выход
- Резьба штуцера G1
Исполнение: G1
Артикул: P11106, P11107, P11108, P11109
Наименование: LN 450 WR1-K, LN 450 WR2-K, LN 450 GR-K, LN 450 GR-S
Габариты

Измерители потока • Компактные датчики • Штуцерное подключение
Серия LN

- Напряжения питания: 24В постоянного тока
- Аналоговый выход
- Резьба штуцера G1
Исполнение: G1
Артикул: P11098 * ,P11099 *
Наименование: LN 450 GA-K, LN 450 GA-S
Габариты

Измерители и сигнализаторы потока • Проточные компактные датчики
Серия LDN

- Напряжения питания: 24В постоянного тока
- Выходы: PNP, Релейный выход, Аналоговый выход
- Резьба G1/4 • Ø 9mm
- Контроль давлени
Исполнение: G1/4 • Ø 9mm
Артикул: P11299 *, P11300, P11301 *
Наименование: LDN 510 GSP, LDN 510 GR, LDN 510 GA
Габариты


Взрывозащищенные датчики и реле потока
Датчики потока для применения во взрывоопасных, с содержанием газа и/или воспламеняющейся пыли средах, аттестованые в соответствии с требованиями по эксплуатации оборудования в потенциально взрывоопасных средах ATEX 100a/ATEX95.
Взрывозащищенные датчики и реле потока для применения во взрывоопасных, содержащих газ или и воспламеняемую пыль средах аттестованы в соответствии с европейскими требованиями по эксплуатации оборудования в потенциально взрывоопасных средах ATEX 100a/ATEX95 и применяются в комплекте с соответствующим вторичным прибором серий SZA, SEA или SS400. В зависимости от категории допуска эксплуатация датчиков разрешается в соответствующих зонах: 0,1 или 2 для газа; 20, 21 или 22 — для запыленных сред. В качестве стандартного материала для изготовления взрывобезопасных датчиков потока используется нержавеющая сталь 1.4571. По специальному запросу могут быть, также, использованы другие нержавеющие стали и сплавы, в том числе Хастеллой, Монель и некоторые виды бронз. При выборе материала для изготовления принимается во внимание его устойчивость к коррозии.
— Измерительный датчик • Категория 1/2-1 • Зона 0/1-20 • подключение — разъём
Серия STS

- Газ-EX Категория 1/2
II 1/2 G Ex ia IIC T6 Ga/Gb- Пыль-EX Категория 1
II 1 D Ex ia ⅢC T100 °C Da- Подключение: разъём
Исполнение: G1/4, G1/2, G1/2, NPT1/2 G3/4
Артикул: P11164, P11165, P11166, P11167, P11169
Наименование: STS 101 S, STS 102 S, STS 103 S, STS 104 S, STS 106 S
— Измерительный датчик • Категория 1/2-1 • Зона 0/1-20 • Кабельный вывод
Серия STS

- Газ-EX Категория 1/2
II 1/2 G Ex ia IIC T6 Ga/Gb- Пыль-EX Категория 1
II 1 D Ex ia ⅢC T100 °C Da- Кабельный вывод
Исполнение: G1/4, G1/2, G1/2, NPT1/2, G3/4
Артикул: P11140, P11141, P11142, P11143, P11168
Наименование: STS 101 K, STS 102 K, STS 103 K, STS 104 K, STS 106 K
— Измерительный датчик • Категория 2 • Зона 1-21 • подключение — разъём
Серия ST

- Газ-EX Категория 2
II 2 G Ex ia IIC T6 Gb- Пыль-EX Категория 2
II 2 D Ex ia ⅢC T125 °C Db- Подключение: разъём
Исполнение: G1/4, G1/2, G1/2, NPT1/2, G3/4
Артикул: P11170, P11171, P11172, P11173, P11175
Наименование: ST 101 S, ST 102 S, ST 103 S, ST 104 S, ST 106 S
— Измерительный датчик • Категория 2 • Зона 1-21 • Кабельный вывод
Серия ST

- Газ-EX Категория 2
II 2 G Ex ia IIC T6 Gb- Пыль-EX Категория 2
II 2 D Ex ia ⅢC T125 °C Db- Кабельный вывод
Исполнение: G1/4, G1/2, G1/2, NPT1/2, G3/4
Артикул: P11144, P11145, P11146, P11147, P11174
Наименование: ST 101 K, ST 102 K, ST 103 K, ST 104 K, ST 106 K
Габаритные размеры
— Измерительный датчик • Категория 2 • Зона 1-21 • Расширенный температурный диапазон
Серия ST

- Газ-EX Категория 2
II 2 G Ex ia IIC T6 Gb- Пыль-EX Категория 2
II 2 D Ex ia ⅢC T125 °C Db- Расширенный температурный диапазон
Исполнение: G1/4, G1/2, G1/2, NPT1/2, G3/4
Артикул: P11176, P11178, P11180, P11182, P11184
Наименование: ST 101 KH, ST 102 KH, ST 103 KH, ST 104 KH, ST 106 KH
Габаритные размеры

— Измерительный датчик • Категория 1/2-1 • Зона 0/1-20 • Резьба G 1/2
Серия STS

- Газ-EX Категория 1/2
II 1/2 G Ex ia IIC T6 Ga/Gb- Пыль-EX Категория 1
II 1 D Ex ia ⅢC T100 °C Da
Исполнение: G1/2
Артикул: P11186, P11187, P11188, P11189, P11190
Наименование: STS 110 K, STS 110 S, STS 110 K-L80, STS 110 K-L110, STS 110 K-140
— Измерительный датчик • Категория 2 • Зона 1-21 • Резьба G 1/2
Серия ST

- Газ-EX Категория 2
II 2 G Ex ia IIC T6 Gb- Пыль-EX Категория 2
II 2 D Ex ia ⅢC T125 °C Db
Исполнение: G1/2
Артикул: P11192, P11193, P11194, P11195, P11196
Наименование: STS 110 K, STS 110 S, STS 110 K-L80, STS 110 K-L110, STS 110 K-140
— Измерительный датчик • Категория 2 • Зона 1-21 • Расширенный температурный диапазон
Серия ST

- Газ-EX Категория 2
II 2 G Ex ia IIC T6 Gb- Пыль-EX Категория 2
II 2 D Ex ia ⅢC T125 °C Db- Расширенный температурный диапазон
Исполнение: G1/2
Артикул: P11198, P11200, P11201, P11202
Наименование: ST 110 KH, ST 110 KH-L80, ST 110 KH-L110, ST 110 KH-L140
— Измерительный датчик • Категория 1/2-1 • Зона 0/1-20 • Приваренный стандартный фланец
Серия STS

- Газ-EX Категория 1/2
II 1/2 G Ex ia IIC T6 Ga/Gb- Пыль-EX Категория 1
II 1 D Ex ia ⅢC T100 °C Da- Приваренный стандартный фланец
Исполнение: DN25 / DN40 (EN 1092-1/05 A)
Артикул: P11191, P11148, P11149
Наименование: STS 111 K-L80, STS 111 K-L110, STS 111 K-L140
— Измерительный датчик • Категория 2 • Зона 1-21 • Приваренный стандартный фланец
Серия ST

- Газ-EX Категория 2
II 2 G Ex ia IIC T6 Gb- Пыль-EX Категория 2
II 2 D Ex ia ⅢC T125 °C Db- Приваренный стандартный кабель
Исполнение: DN25 / DN40 (EN 1092-1/05 A)
Артикул: P11197, P11150, P11151
Наименование: ST 111 K-L80, ST 111 K-L110, ST 111 K-L140
Габаритные размеры

— Измерительный датчик • Категория 2 • Зона 1-21 • Расширенный температурный диапазон
Серия ST

- Газ-EX Категория 2
II 2 G Ex ia IIC T6 Gb- Пыль-EX Категория 2
II 2 D Ex ia ⅢC T125 °C Db- Приваренный стандартный кабель
Исполнение: DN25 / DN40 (EN 1092-1/05 A)
Артикул: P11203, P11204, P11205
Наименование: ST 111 KH-L80, ST 111 KH-L110, ST 111 KH-L140
Габаритные размеры

— Измерительный датчик • Категория 1/2 — 1 • Зона 0/1 — 20 • Клеммное подключение
Серия STSEX

- Газ-EX Категория 1/2
II 1/2 G Ex ia IIC T6 Ga/Gb- Пыль-EX Категория 1
II 1 D Ex ia ⅢC T100 °C Da- Клеммное подключение
Исполнение: G3/4, NPT 3/4
Артикул: P11268, P11269
Наименование: STSEX 01, STSEX 02
— Проточный датчик • Категория 2 • Зона 1
Серия SD 4 Ex / SD 9 Ex

- Газ-Ex Категория 2
II 2G Ex ib IIC T6…T4- Резьба G1/4
- Резьба M12
- Резьба M16
Исполнение: SD
Артикул: P11091, P11092, P11117, P11093
Наименование: SD 4 Ex M12, SD 4 Ex M16, SD 4 Ex G1/4, SD 9 Ex M16
— Измерительный датчик • Поток воздуха • Категория 1/2 — 1 • Зона 0/1 — 20
Серия STS

- Газ-EX Категория 1/2
II 1/2 G Ex ia IIC T4 Ga/Gb- Пыль-EX Категория 1
II 1 D Ex ia ⅢC T120 °C Da Резьба G1/2- Корпус из нержавеющей стали
Исполнение: G1/2
Артикул: P11152, P11206
Наименование: STS 212 K, STS 212 S
— Измерительный датчик • Поток воздуха • Категория 1/2 — 1 • Зона 0/1 — 20
Серия STS

- Газ-EX Категория 1/2
II 1/2 G Ex ia IIC T6 Ga/Gb- Пыль-EX Категория 1
II 1 D Ex ia ⅢC T105 °C Da Резьба G1/2- Корпус из нержавеющей стали
Исполнение: G1/2
Артикул: P11153, P11207
Наименование: STS 215 K, STS 215 S
— Измерительный датчик • Поток воздуха • Категория 1/2 — 1 • Зона 0/1 — 20 • Расширенный температурный диапазон
Серия STS

- Газ-EX Категория 1/2
II 1/2 G Ex ia IIC T6 Ga/Gb- Пыль-EX Категория 1
II 1 D Ex ia ⅢC T105 °C Da- Резьба G1/2
- Корпус из нержавеющей стали
- Расширенный температурный диапазон
Исполнение: G1/2
Артикул: P11212
Наименование: STS 215 KH
Пыль-
Компактные приборы • Поток воздуха • Категория 3 • Зона 22
Серия LG

- Пыль-EX Категория 3
II 3D IP 65 T 120 °C X- Напряжение питания 24 В постоянного тока
- PNP-Выход
- Аналоговый выход
- Диапазон измерения 0,5…15 м/с
Исполнение: M18x1
Артикул: P11311, P11312
Наименование: LG 518 GSP-EX22 *, LG 518 GA-EX22 *
Пыль-
Компактные приборы • Поток воздуха • Категория 3 • Зона 22 • Резьба G 1/2
Серия LNZ

- Пыль-EX Категория 3
II 3D IP 65 T 90 °C X- Напряжение питания230 В • 115 В переменного тока / 24V постоянного тока
- Релейный выход
- Аналоговый выход
- Диапазон измерения 0,5…30 м/с
- Резьба G 1/2
Исполнение: G1/2
Артикул: P11303, P11304, P11305, P11306 *
Наименование: LNZ 450 WR1-EX22, LNZ 450 WR2-EX22, LNZ 450 GR-EX22, LNZ 450 GA-EX22
Пыль-
Компактные приборы • Поток воздуха • Категория 3 • Зона 22 • Резьба G 1
Серия LN

- Пыль-EX Категория 3
II 3D IP 65 T 90 °C X- Напряжение питания230 В • 115 В переменного тока / 24V постоянного тока
- Релейный выход
- Аналоговый выход
- Диапазон измерения 0,5…30 м/с
- Резьба G 1
Исполнение: G1
Артикул: P11307, P11308, P11309, P11310 *
Наименование: LN 450 WR1-EX22, LN 450 WR2-EX22, LN 450 GR-EX22, LN 450 GA-EX22

Модули обработки сигналов датчиков потока и аксессуары
Модули бработки сигналов датчиков потока и аксессуары: измерительные усилители, приборы грозозащиты/молниезащиты, соединители (штекеры, кабели, розетки) и др. принадлежности для датчиков EGE-Elektronik.
Устройства для обработки сигналов датчиков, с классом защиты IP20/IP40, программируемые, с питанием от постоянного и переменного тока, с релейными и аналоговыми выходами, светодиодной индикацией и автоматической подстройкой, в стандартном и во взрывозащитном исполнении, а также аксессуары: приборы грозозащиты, соединители (штекеры, кабели, розетки) для датчиков EGE-Elektronik.
Устройства обработки сигналов датчиков
Модули обработки сигналов датчиков SKM, SKZ
Серия SKM

- Напр. питания 24 В постоянного тока
- Аналоговый выход
- Релейный выход
- Светодиодная индикация
Исполнение: SKM 420 GR, SKM 421 GR, SKM 420 GA
Артикул: P10530, P11067, P10820
Наименование: SKM 420 GR, SKM 421 GR (пневмо), SKM 420 GA
Серия SKM

- Напр. питания 85 В… 260 В переменного или 24 В постоянного тока
- Релейный выход
- Программирование кнопками
- Автоматическая подстройка
Исполнение: SKM 522 WR, SKM 522 GR
Артикул: P11336, P11337
Наименование: SKM 522 WR, SKM 522 GR
Серия SKZ

- Напр. питания 85 В… 260 В переменного или 24 В постоянного тока
- Релейный выход
- Светодиодная индикация
- Программирование кнопками
- Автоматическая подстройка
Исполнение: SKZ 400 WR, SKZ 400 WR-115, SKZ 400 GR
Артикул: P10501, P10502, P10503
Наименование: SKZ 400 WR, SKZ 400 WR -115, SKZ 400 GR
Устройства обработки сигналов датчиков во взрывобезопасном исполнении
— Устройства обработки сигналов датчиков SZA, SEA, SS
Серия SZA
II (1) GD [Ex ia] IIC- Напряжение питания 230В • 115В переменного тока 24В постоянного тока
- Релейный выход
- Аналоговый выход
- Контроль обрыва и короткого замыкания в кабеле
- Задержка выключения
Исполнение SZA 400 Ex…, SZA 400 GA-Ex
Артикул: P10706, P10707, P10708, P11257
Наименование: SZA 400 Ex-230, SZA 400 Ex-115, SZA 400 Ex-24, SZA 400 GA-Ex
Серия SEA
II (1) GD [Ex ia] IIC- Напряжение питания 24В постоянного тока
- Релейный выход
- Аналогопый выход
- Задержка включения и выключения
Исполнение: SEA 400 Ex-24, SEA 401 Ex-24, SEA 405 GA-Ex
Артикул: P10705, P10709, P11253
Наименование: SEA 400 Ex-24, SEA 401 Ex-24, SEA 405 GA-Ex
Серия SS
- Пыль
II 2D IP 65 T92°C - Газ
II (1) 2G Ex em [ia] IIC T6 - Установка в зонах 1/21
- Подгонка внутри зон 1/21
Исполнение: SS 400 Ex
Артикул: P11292
Наименование: SS 400 Ex-24
— Блок обработки сигналов • Зона 1
Серия SSAE
- Пыль + Газ

- Для датчиков потока жидкости и воздуха в зонах 0/20
- С подгонкой и индикацией в зонах 1/21
- Установка и подключение 1/21
- Защитный корпус со смотровым отверстием
Исполнение: Блок обработки SSAE, Защитный корпус GAM
Артикул: P11302, Z01184
Наименование: SSAE 400, GAM 2030
— Модуль для обработки сигналов датчиков
Серия GK…
II 2G Ex e II T6
II 2G Ex ia IIC T6
II 2G Ex e [ia] IIC T6
II 2D IP 65 T 75 °CДля подключения линий питания и сигнальных линий в зонах 1/21
Исполнение: GK…
Артикул: Z01168, Z01169, Z01170, Z01171, Z01172
Наименование: GKE 60, GKE 100, GKI 60, GKI 100, GKEI 100
— Прибор грозозащиты / молниезащиты

II 2 (1) G Ex ia IIC T4 Zone 0- Грозозащита необходима при работе с горючими жидкостями.
- Прибор грозовой защиты включается в линию между датчиком и устройством обработки сигналов, при этом вызванные грозой перенапряжения заземляются.
Исполнение: SBGX 01
Артикул: Z01007
Наименование: SBGX 01
Аксессуары
Принадлежности • Штекерная система М12
Система SL

- Кабельная розетка с закрепляемой на кабеле самостопорящейся навинчивающейся пробкой
- Класс защиты IP 67
Розетка, прямая

Розетка, угловая

Расположение контактов

Штекерная защелка

Тип / Артикул / Исполнение:
SLG 3-2 / Z01076 / Розетка прямая M12x1 DC + 2м PVC-кабель 3×0,34 мм²
SLG 3-5 / Z01077 / Розетка прямая M12x1 DC + 5м PVC-кабель 3×0,34 мм²
SLW 3-2 / Z01078 / Розетка угловая M12x1 DC + 2м PVC-rабель 3×0,34 мм²
SLW 3-5 / Z01079 / Розетка угловая M12x1 DC + 5м PVC-Кабель 3×0,34 мм²
SLW 3-2-LED / Z00052 / Розетка угловая M12x1 DC + 2м PVC-Кабель 3×0,34 мм², PNP, LED
SLG 4-2 / Z00445 / Розетка прямая M12x1 DC + 2м PVC-Кабель 4×0,25 мм²
SLG 4-5 / Z00449 / Розетка прямая M12x1 DC + 5м PVC-Кабель 4×0,25 мм²
SLW 4-2 / Z00446 / Розетка угловая M12x1 DC + 2м PVC-Кабель 4×0,25 мм²
SLW 4-5 / Z00450 / Розетка угловая M12x1 DC + 5м PVC-Кабель 4×0,25 мм²
SLW 4-2-LED / Z01157 / Розетка угловая M12x1 DC +2м PVC-Кабель 4×0,25 мм², PNP, LED
SLG 5-2 / Z01150 / Розетка прямая M12x1 DC + 2м PVC-Кабель 5×0,34 мм²
SLW 5-2 / Z01151 / Розетка угловая M12x1 DC + 2м PVC-Кабель 5×0,34 мм²
PL-M12 / Z01182 / Штекерная защелка для датчиков Ex-исполнения
Система SB

- Разборная кабельная розетка
- Для большого разнообразия кабелей
- Класс защиты IP 67
- Самостопорящаяся навинчивающаяся пробка
Розетка, прямая

Розетка, угловая

Тип / Артикул / Исполнение:
SBG-DC / Z01060 / Розетка прямая M12x1, 4-пол.
SBW-DC / Z00038 / Розетка угловая M12x1, 4-пол.
SBG 5-DC / Z0114 / Розетка прямая M12x1, 5-пол.
SBW 5-DC / Z01147 / Розетка угловая M12x1, 5-пол.
Принадлежности • Кабели
Исполнение / Артикул:
PVC205 / Z01061
PVC205B / Z01062
PVC275 / Z01086
PVC275BS / Z01108
PVC334 / Z01109
PVC305E / Z01064
PVC305 / Z01063
PVC305B / Z01167
PVC375 / Z01065
PVC375E / Z01111
PVC425 / Z01110
PVC434 / Z01066
PVC405 / Z01067
PVC475E / Z01113
PVC475BS / Z01114
PVC505 / Z01116
PVC705 / Z01117
PUR334 / Z01156
PUR375 / Z01068
PUR425S / Z01069
PUR425BS / Z01070
PUR405 / Z01112
PUR405BS / Z01173
PUR475SE / Z01118
PUR410E / Z01119
FEP375S / Z01126
FEP334 / Z01071
FEP425S / Z01073
FEP425 / Z01072
FEP425BS / Z01125
FEP375 / Z01165
Silikon375E / Z01121
Silikon475E / Z01122
Silikon475SE / Z01115
Silikon305 / Z01143
PVC705SE / Z01123
Принадлежности • Продукты группы 1
Тип / Артикул / Исполнение:
Фланец – Ø 20 / Z01106 / Фланец из пластика с отверстием Ø 20 мм для датчиков типа LN 520
Конструкция

Тип / Артикул / Исполнение:
Фланец DN25/PN40 / Z01001 / Фланец из нерж. стали 1.4571 (A4) по EN 1092-1/05 A (DIN 2527) с центральной резьбой G1/2 для датчиков типа ST… с G1/2
Конструкция

Тип / Артикул / Исполнение:
Штуцер A501 / Z01033 / Резьбовой штуцер из никелированной латуни, L=50 мм, G1 для датчиков типа Typ LN…
Конструкция

Тип / Артикул / Исполнение:
Штуцер A502 / Z01034 / Резьбовой штуцер из никелированной латуни, L=50 мм, G1 для датчиков типа Typ LN…
Конструкция

Тип / Артикул / Исполнение:
Штуцер A503 / Z01035 / Резьбовой штуцер из стали ST37, L=50 мм, G1 для датчиков типа Typ LN…
Конструкция

Тип / Артикул / Исполнение:
Адаптер SIA G1/4 — 1/4 — 1/4 / Z01018 / Адаптер из нерж. стали 1.457(A4) для датчиков типа STK412 c трубным присоединением G 1/4 и диапазоном измерения от 10 мл/мин
Конструкция

Тип / Артикул / Исполнение:
Переходник SDA M16 — G1/2 / Z01017 / Переходник из нерж. стали 1.457(A4) для проточных датчиков типа SD… c внутренней резьбой G 1/2
Конструкция

Тип / Артикул / Исполнение:
Адаптер SDA-SCS-G1/4 / Z01200 / Ввинчивающийся адаптер из нерж. стали 1.457(A4) для датчиков потока SCS440-A4-GSP c трубным присоединением G 1/4
Конструкция

Тип / Артикул / Исполнение:
Адаптер SDA-SCS-G1/2 / Z01201 / Ввинчивающийся адаптер из нерж. стали 1.457(A4) для датчиков потока SCS440-A4-GSP c трубным присоединением G 1/2
Конструкция

Тип / Артикул / Исполнение:
Переходник SDA G1/4-Ø10-L050 / Z01175 / Переходник из нерж. стали 1.457(A4) для проточных датчиков с цифровой индикацией типа SDN5…/1, SDV652…, SDI852/1… c трубным присоединением G 1/4
Конструкция

Тип / Артикул / Исполнение:
Переходник SDA G1/2-Ø18-L068 / Z01176 / Переходник из нерж. стали 1.457(A4) для проточных датчиков с цифровой индикацией типа SDN552/3… c трубным присоединением G 1/2
Конструкция
